Knowledge base: Powerpack (SPP)

SUSI sound

What are the CV settings for the Train-O-Matic powerpack (SPP)?

A:     CV 29 = 10 (analogue (DC) mode off. The powerpack does not function in analogue mode, it’s a DCC only feature

    CV 123 = SPP time out; time that the powerpack will give the extra power. Default value is set to 16, which is 0.25 seconds. Value 255 is 4 seconds

    CV 124* = SPP delay; Start up delay. Value in seconds. Default is set to 10, so SPP will be activated after 10 seconds. This is useful when you have more trains with a powerpack and they don’t all start grabbing power the moment the system is turned on.

*Note: Before firmware 233 the start up delay was set with CV 152. Firmware 233 and above use CV 124 for  the start up delay.


SPP will not work in analogue mode

When analogue (DC) mode is turned on (CV29, value 14), the SPP will not function when running on DCC. Set CV 29 to value 10 to turn running on DC tracks off. A digital model with SPP can only run on a DC track, if you activate the DC mode in CV 29 (set to 14). To be clear: the SPP will not function on DC.


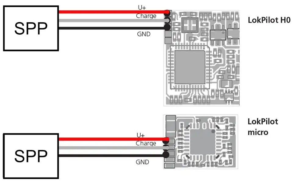
How to connect the SPP to a Train-O-Matic Lokommander 2 decoder

Everything you need to know is explained in the manual, but here’s a quick overview.

Example:

Lokommander II Micro

Example:

Lokommander II Mini

Please note that the VCC and GND connectors are opposite on the Micro and Mini decoder. Check the Lokommander II manual for the correct solder pads on your decoder.

How to connect an SPP Nano to a Train-O-Matic decoder

‍Separating the supercapacitor from the electronics board

‍If you have limited space, you can separate the supercapacitor from the board by desoldering it, or just simply cut the connectors. Make note of the position of the + and -. The + is also marked next to the connector on the board. Extend the connection with wire. Make sure not connect the + of supercapacitor with the - of the board and vice versa, as this will destroy the unit. One note though: by cutting the wires, you are voiding the warranty and it is at your own risk. But if you have tested the SPP on forhand to make sure it is working well and you connect the wires correctly by just extending the connection, you should not experience any problem.


‍Using the Train-O-Matic SPP with ESU decoders


‍I. LokSound 4 configuration for SPP

‍ 

‍The SUSI Clock pin is shared with the SPP Charge Control in the Loksound 4 decoders, which is AUX6 output of the decoder. For these reasons an external  SUSI decoder and a SPP can't be used in the same time.

‍If the SPP control will be used, the SUSI must be turned OFF. 

‍Settings to change:


‍CV124 : 16 (Clear bit3 in CV124. The default value of CV124 is 24 (SUSI ON), so write the new value 16)


‍The function as AUX6 also has to be disabled. This has to be done by programming the following CVs, in the described order:

‍CV31 = 16

‍CV32 = 0

‍CV315 = 0 (default value = 1)


‍SPP timeout; CV113:  0-255 (in multiple of 0.016384 seconds)

‍For wire connections, please image at the right.


‍II.  LokSound 5 configuration for SPP


‍For Loksound 5 the AUX9 has to be configured as SPP Charge Control.

‍This has to be done by programming the following CVs, in the described order:

‍CV31 = 16

‍CV32 = 0

‍CV339 = 31

‍ 

‍For Loksound 5 Micro the AUX7 has to be configured as SPP Charge Control

‍This has to be done by programming the following CVs, in the described order:

‍Write    CV31 = 16

‍Write    CV32 = 0

‍Write    CV323 = 31

‍ 

‍SPP timeout; CV113:  0-255 (in multiple of 0.016384 seconds)

‍For wire connections, please image at the right.



‍III. LokPilot 4 configuration for SPP


Discharging of the supercapacitor

With  CV 123 (SPP time out) not set to the maximum of value 255, the supercapacitor will  still have voltage left  at the moment when this timeout expires. Obviously, as the decoder is set to stop motor from running . This will discharge in 1-2 minutes (a safety period).


The difference between a Powerpack or flywheel

A flywheel ensures that the motor continues to rotate after power has been cut, due to its mass on the outer edge (inertia). The larger the diameter of the flywheel, the longer the roll out. You can only stop a flywheel from being effective by blocking it. As a flywheel in model trains is very small, the effect is minimal. Depending on the size of the flywheel, a flywheel will allow the model to continue driving one or a few millimeters. The reason you would choose a Powerpack when running DCC is because it has more effect than a flywheel.  A Powerpack can give back up power for up to four seconds. You can even set the desired extra power in CV 123. 


Using a supercapacitor with higher Farad

The charging of the supercapacitor is current limited to ~ 200 mA. The full charge takes about 20-30 seconds. During the charging, heat is dissipated. Increasing the capacitance value to double, triple, is not a problem at all. If you would replace the supplied super capacitors by for example 15 Farad, this is a bit too much. However, it can be tested, but without the SPP assembled inside the locomotive.  We have not tested such huge capacitance value and we do not recommend doing this. We are afraid that generating the heat for such a long time (an estimated 5-6 minutes for a full charge) could melt the locomotive’s plastic. The SPP itself will survive, but the heat generated will cause the problems.


Using a supercapacitor with a higher Voltage

The supplied supercapacitors are rated to 2.7V and it is a safety margin. We test with 2.5V. If higher voltage capacitors are used, nothing will happen, they work fine.  Capacitors rated to 3V will work without any problems (they are even better than the 2.7V capacitors). But a 3V capacitor will cost more than a 2.7V capacitor.


SPP Nano doesn’t seem to work with a Train-O-Matic decoder

The time out setting is by default set really low. Change CV 123 to value 255, to experience the maximum effect of the SPP Nano.


SPP works with motor, but light flickers

Short answer: connect LED/Light bulb to white/yellow (-) and BLUE wire (+).

In depth answer: If the SPP works well with your motor and gives seconds of power when power from the track gets interrupted, but the front and rear lights of the loco are flickering, then the connection of the plus wire needs to be changed. If you converted an older generation locomotive to DCC, the working of the lights will depend how you connected the common positive connection (plus) of the LED or light bulb. 


The control of the negative connection (minus) of the LED or light bulb comes from the decoder (the WHITE and YELLOW wire), but in many older generation locomotives the common positive terminal of the lights is not connected to the BLUE wire, which comes from the decoder. The tricky connection schema is known as Fleischmann connection and is connecting the light (using diodes) to the right and left track connections. This is how the 6 pin decoders are used in most of the models.


The powerpack will buffer the light sources connected between the decoder internal positive voltage supply (the BLUE wire) and the decoder outputs (WHITE and YELLOW wire). If the lights are NOT connected this way, they will flicker. Obviously, the motor is connected inside to the decoder buffered voltage, so it will operate buffered.

.